- HOME

- Á¦Ç°¼Ò°³

- Á¦Ç°¼Ö·ç¼Ç

- Soc ¼Ö·ç¼Ç
-
-

Virtex-6 LX760 FPGA 1°³ žÀç °¡´ÉÇÑ SoC/ASIC ¼³°è ¹×
- °ËÁõ¸ðµâ
FPGA °ÔÀÌÆ® 7õ¸¸, ASIC °ÔÀÌÆ® 7¹é¸¸ ¼ö¿ë
ARM Cortex A8, ARM11 (S3C6410), ARM926, ARM136,
- MPCore Áö¿ø
FPGA Àü ÇÉ¿¡ Trace Length Matching ¼³°è·Î ÄÁ³ØÅÍ
- Skew ÃÖ¼ÒÈ
LVDS Impedance ¸ÅĪÀ¸·Î °í¼Ó LVDS µ¿ÀÛ
LX760 1160ÇÉ I/O »ç¿ë °¡´É
Clock Generator¹× Fan-out Buffer Àû¿ëÀ¸·Î Clock
- Skew ÃÖ¼ÒÈ
SystemACE ³»ÀåÀ¸·Î ´ë¿ë·® Configuration
JTAGÀ» ÅëÇÑ ILA »ç¿ë °¡´É

-
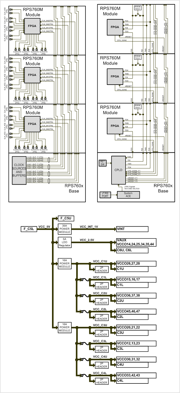
SoC / ASIC À» °³¹ß½Ã ASIC Gate ¿ë·®ÀÌ Áõ°¡ÇÔ¿¡ µû¶ó ÇÁ·ÎÅäŸÀÌÇÎ ÇϰíÀÚ ÇÒ °æ¿ì¿¡´Â ´ë¿ë·®ÀÇ FPGA°¡ ÇÊ¿äÇÕ´Ï´Ù. RPS-760MÀº XilinxÀÇ ÃֽŠVirtex6 XC6VLX760À» FPGA¸ðµâ·Î¼ RPS-7601, RPS-7604, RPS-7601CT¿¡ »ç¿ë°¡´ÉÇÏ¸ç µ¿ÀÏÇÑ FPGA ¸ðµâÀ» 3°³±îÁöStacking ÇÒ ¼ö ÀÖ¾î FPGA¸ðµâÀÇ Ãß°¡¸¸À¸·Îµµ °ÔÀÌÆ® ¿ë·® È®ÀåÀÌ °¡´ÉÇÑ ±¸Á¶ÀÔ´Ï´Ù.
ÃÖ½ÅÀÇ SoC ÇÁ·ÎÅäŸÀÌÇÎ ½Ã¿¡´Â ´ë¿ë·®ÀÇ FPGA°¡ ÇÊ¿äÇÕ´Ï´Ù. RPS-760MÀº XilinxÀÇ ÃֽŠVirtex6 XC6VLX760À» žÀçÇÑ ¸ðµâ·Î º£À̽ºº¸µå¿¡ ÀåÂøµÇ¾î µ¿ÀÛÇÏ´Â FPGA ¸ðµâ·Î¼ 4°³ÀÇ Upper Connector¸¦ ÀÌ¿ëÇÏ¿©, ¸ðµâÀ» ½ÇÀåÇϰųª 4°³ÀÇ Lower Connector¸¦ ÀÌ¿ëÇÏ¿© RPS-7601, RPS-7604, RPS-7601CT ÇÁ·ÎÅäŸÀÌÇÎ ½Ã½ºÅÛ ¶Ç´Â FPGA¸ðµâ À§¿¡ StackingÀÌ °¡´ÉÇÑ ±¸Á¶ÀÇ Flexible Modular FPGA ¸ðµâÀÔ´Ï´Ù.
RPS-760M ¸ðµâÀÇ °¢ IO Connector´Â VCC¿Í GND¸¦ Á¦¿ÜÇϰí 120ÇÉÀÇ IO¸¦ »ç¿ëÇÒ ¼ö ÀÖÀ¸¸ç, ClockCapable/VrefÇÉÀÇ ¹èÄ¡°¡ µ¿ÀÏÇÏ¿©, ¸ðµâÀ» ¸ðµç Connector¿¡ »ç¿ëÇÒ ¼ö ÀÖ½À´Ï´Ù. ÃÑ 8°³ÀÇ Ä¿³ØÅÍ¿¡ ¸ðµâÀÇ ÀåÂøÀÌ °¡´ÉÇÏ¸ç °¢°¢ ´Ù¸¥ IO Standard·Î ¼³Á¤ÇÏ¿© »ç¿ëÇÒ ¼öµµ ÀÖ½À´Ï´Ù.
°¢ Ä¿³ØÅͺ°·Î Àü¿øºÐ¸®(9°³)µÇ¾î ´Ù¾çÇÑ ÁÖº¯ÀåÄ¡ ¸ðµâÀ» µ¿½Ã¿¡ »ç¿ëÇÒ¼ö ÀÖÀ¸¸ç, Xilinx MIG¸¦ ÅëÇØ »ý¼ºÇÑ ¸Þ¸ð¸® ÄÁÆ®·Ñ·¯¸¦ »ç¿ëÇÒ¼ö ÀÖµµ·Ï ¼³°èµÇ¾î ÀÖ½À´Ï´Ù.
Trace length matching ¼³°è¸¦ ÅëÇØ °¢ ÄÁ³ØÅÍ Skew¸¦ ÃÖ¼ÒÈÇÏ¿´À¸¸ç LVDS Impedance MatchingµÇ¾î LVDS¸¦ Áö¿øÇÏ¿© °í¼Ó µ¿ÀÛÀÌ °¡´ÉÇÕ´Ï´Ù.
º£À̽ºº¸µå·ÎºÎÅÍÀÇ 4°³ÀÇ LVDS ¶Ç´Â Single Ended Ŭ·°ÀÔ·ÂÀ» ¹ÞÀ»¼ö ÀÖÀ¸¸ç, FPGA¿¡ ¿¬°áµÈ 16°³ÀÇ Å¬·° I/OÄÁ³ØÅÍ(16°³)¸¦ ÀÌ¿ëÇÏ¿©, ÄÉÀ̺íÀ» ÅëÇÑ Å¬·° ¶ó¿ìÆÃÀÌ °¡´ÉÇÕ´Ï´Ù.
Ŭ·° ¹× ¸®¼Â, LED, PBSWÁ¦¿ÜÇÑ FPGAÀÇ ´ëºÎºÐÀÇ IO(1160°³)¸¦ »ç¿ëÇÒ¼ö ÀÖµµ·Ï ¼³°èÇÏ¿´½À´Ï´Ù.
º¸µå»ó¿¡¼ 4°³ÀÇ Å¬·°¼Ò½º¸¦ °¡Áö¸ç, Ŭ·°Àº 1~340MHzÀÇ ¹üÀ§¸¦ °¡Áø Ŭ·° Á¦³×·¹ÀÌÅͰ¡ 3°³, 31.25~700MHzÀÇ ¹üÀ§¸¦ °®´Â Ŭ·°Á¦³×·¹ÀÌÅͰ¡ 1°³·Î ±¸¼ºµÇ¸ç, ¸ðµâ ½ºÅÂÅ·½Ã¿¡µµ °¢ ¸ðµâ·Î °ø±Þ µÇ´Â Ŭ·°ÀÇ ½ºÅ¥°¡ ÃÖ¼ÒÈ µÇµµ·Ï ¼³°èµÇ¾î ÀÖ½À´Ï´Ù.

RPS-760M
RPS-760MÀº XilinxÀÇ ÃֽŠVirtex6 XC6VLX760À» žÀçÇÑ ¸ðµâ·Î º£À̽ºº¸µå¿¡ ÀåÂøµÇ¾î µ¿ÀÛÇϸç, 4°³ÀÇ Upper Connector¸¦ ÀÌ¿ëÇÏ¿©, ¸ðµâÀ» ½ÇÀåÇϰųª 4°³ÀÇ Lower Connector¸¦ ÀÌ¿ëÇÏ¿© º£À̽ºº¸µå ¶Ç´Â FPGA¸ðµâ À§¿¡ StackingÀÌ °¡´É Flexible Modular FPGA º¸µåÀÔ´Ï´Ù.
RPS-760M ¸ðµâÀÇ °¢ IO Connector´Â °¢°¢ 120ÇÉÀÇ IO¸¦ »ç¿ëÇÒ ¼ö ÀÖÀ¸¸ç, ClockCapable/Vref/Vrn/VrpÇÉÀÇ ¹èÄ¡°¡ µ¿ÀÏÇÏ¿©, ¸ðµâÀ» ¸ðµç Connector¿¡ »ç¿ëÇÒ ¼ö ÀÖ½À´Ï´Ù. ÃÑ 8°³ÀÇ Ä¿³ØÅÍ¿¡ ¸ðµâÀÇ ÀåÂøÀÌ °¡´ÉÇÏ¸ç °¢°¢ ´Ù¸¥ IO Standard·Î ¼³Á¤ÇÏ¿© »ç¿ëÇÒ ¼öµµ ÀÖ½À´Ï´Ù.

°¢ Ä¿³ØÅͺ°·Î Àü¿øºÐ¸®(9°³)µÇ¾î ´Ù¾çÇÑ ÁÖº¯ÀåÄ¡ ¸ðµâÀ» µ¿½Ã¿¡ »ç¿ëÇÒ ¼ö ÀÖÀ¸¸ç, Xilinx MIG¸¦ ÅëÇØ »ý¼ºÇÑ ¸Þ¸ð¸® ÄÁÆ®·Ñ·¯¸¦ »ç¿ëÇÒ ¼ö ÀÖµµ·Ï ¼³°èµÇ¾î ÀÖ½À´Ï´Ù.
Trace length matching ¼³°è¸¦ ÅëÇØ °¢ ÄÁ³ØÅÍ Skew¸¦ ÃÖ¼ÒÈÇÏ¿´À¸¸ç LVDS Impedance MatchingµÇ¾î LVDS¸¦ Áö¿øÇÏ¿© °í¼Ó µ¿ÀÛÀÌ °¡´ÉÇÕ´Ï´Ù.
°¢ Ä¿³ØÅͺ°·Î Àü¿øºÐ¸®(9°³)µÇ¾î ´Ù¾çÇÑ ÁÖº¯ÀåÄ¡ ¸ðµâÀ» µ¿½Ã¿¡ »ç¿ëÇÒ¼ö ÀÖÀ¸¸ç, Xilinx MIG¸¦ ÅëÇØ »ý¼ºÇÑ ¸Þ¸ð¸® ÄÁÆ®·Ñ·¯¸¦ »ç¿ëÇÒ¼ö ÀÖµµ·Ï ¼³°èµÇ¾î ÀÖ½À´Ï´Ù.
RPS-LX7601, RPS-LX7604 Rapid Prototyping SystemÀ¸·ÎºÎÅÍ 4°³ÀÇ LVDS ¶Ç´Â Single Ended Ŭ·°ÀÔ·ÂÀ» ¹ÞÀ» ¼ö ÀÖÀ¸¸ç, FPGA¿¡ ¿¬°áµÈ 16°³ÀÇ Å¬·° I/OÄÁ³ØÅÍ(16°³)¸¦ ÀÌ¿ëÇÏ¿©, ÄÉÀ̺íÀ» ÅëÇØ Ŭ·° ¶ó¿ìÆÃÀÌ °¡´ÉÇÕ´Ï´Ù. Clock Skew ÃÖ¼Òȸ¦ À§ÇØ ¸ðµå»ó¿¡¼ PCB Trace Pattern ±æÀ̸¦ ¸ÂÃß¾î ¼³°èÇÏ¿© Á¦Ç°ÀÇ µ¿ÀÛÀ» ¾ÈÁ¤È ÇÏ¿´½À´Ï´Ù.
SystemACE¸¦ ³»ÀåÇÏ¿© CF Card¸¦ ÀÌ¿ëÇÑ ´ë¿ë·® ConfigrationÀÌ °¡´ÉÇϸç, JTAGÀ» ÅëÇÑ ILA »ç¿ëÀÌ °¡´ÉÇÕ´Ï´Ù.

°·ÂÇÑ Å¬·° ±¸Á¶
SoC ÇÁ·ÎÅäŸÀÌÇνà ´Ù¾çÇÑ Å¬·°ÀÇ °ø±ÞÀÌ ÇÊ¿äÇϸç, Ŭ·°ÀÇ ÁöÅÍ ¹× Skew ¹ß»ý½Ã Logic µ¿À۽à ½É°¢ÇÑ ¿µÇâÀ» ÃÊ·¡ÇÏ°Ô µË´Ï´Ù. RPS-LX7601Àº DIP½ºÀ§Ä¡ÀÇ ¼³Á¤¸¸À¸·Î 1~340MHzÃâ·ÂÀÌ °¡´ÉÇÑ Å¬·°ÀÌ 3°³¿Í, 31.5~511MHz Ãâ·ÂÀÌ °¡´ÉÇÑ Å¬·° 1°³µî ÃÑ 4°³ÀÇ Global ClockÀ» RPS-760M ¸ðµâ·Î ÀÔ·ÂÇϸç, StackingµÇ´Â ¸ðµâÀÇ Å¬·° ½ÅÈ£¿¡ µû¶ó PCB Trace Pattern±æÀ̸¦ Á¶Á¤ÇÏ¿©, Skew¸¦ ÃÖ¼ÒÈÇÏ¿´½À´Ï´Ù.
º£À̽ºº¸µå·ÎºÎÅÍÀÇ Global Clock ¼Ò½º4°³¸¦ LVDS ¶Ç´Â Single Ended Ŭ·° ÀÔ·ÂÀ» ¹ÞÀ» ¼ö ÀÖÀ¸¸ç, À̿ʹ º°µµ·Î °¢ FPGA¿¡ ¿¬°áµÈ 16°³ÀÇ Å¬·° I/OÄÁ³ØÅ͸¦ ÀÌ¿ëÇÏ¿© ¿ÜºÎÀÇ Global ClockÀ¸·Î ÀԷ¹ްųª Ãâ·ÂÇÒ ¼ö ÀÖ½À´Ï´Ù.
FPGA¹× CPU, I/OÀ» »óÈ£ ¿¬°áÇÒ ¼ö ÀÖ´Â RapidBus¸¦ »ç¿ëÇÕ´Ï´Ù.
SoC / ASIC À» °³¹ß ½Ã¿¡ »óÈ£ ¿¬°á¼º(Interconnection)ÀÌ °¡Àå Áß¿äÇÕ´Ï´Ù. RPS-760MÀº 120ÇÉ RapidBus ÄÁ³ØÅͰ¡ Upper side 4°³, lower side¿¡ 4°³°¡ ÀåÂøµÇ¾î FPGA ¸ðµâ, CPU ¸ðµâ, DDR3/DDR2 ¸ðµâ, PCIexpress ¸ðµâ, µð¹ö±ë ¸ðµâ, Åë½Å¸ðµâ, DVI¸ðµâ, ADC/DAC¸ðµâ, USB, Ethernet, PCI Express, SATA, ARM Core, DVI, Logic analyzer ¿¬°á ¹× È®Àå¿ëÀ¸·Î »ç¿ëÇϵµ·Ï µÇ¾î ÀÖ½À´Ï´Ù.
¸Þ¸ð¸®, ÀÎÅÍÆäÀ̽º, °¢Á¾ I/O ¸ðµâ
RPS-760M RapidBus ÄÁ³ØÅÍ(120ÇÉ) 4~8°³¸¦ ¸Þ¸ð¸®, FPGA ¸ðµâ,CPU ¸ðµâ, µð¹ö±ë ¸ðµâ, Åë½Å¸ðµâ, DVI¸ðµâ, ADC/DAC¸ðµâ, Ethernet, USB, PCI Express, SATA, ARM Core, DVI, Logic analyzer ¿¬°á ¹× È®ÀåÀÌ °¡´ÉÇÑ ±¸Á¶ÀÔ´Ï´Ù.
FPGA ÇÁ·ÎÅäŸÀÌÇÎ ÇϰíÀÚ ÇÒ °æ¿ì¿¡´Â ´Ù¾çÇÑ Peripheral µéÀÌ ÇÊ¿äÇϸç, Çʿ信 µû¶ó ¾î´À Ä¿³ØÅÍ¿¡µµ ¼³Ä¡ÇÒ¼ö ÀÖµµ·Ï µÇ¾î¾ß Çϸç, ¸ðµâ¿¡¼ ÇÊ¿äÇÑ ÃæºÐÇÑ Àü·ù¸¦ °ø±ÞÇÒ ¼ö ÀÖ¾î¾ß ÇÕ´Ï´Ù.
RPS-7601, RPS-7604, RPS-7601CT Àû¿ë½Ã ºí·Ïµµ
RPS-7601 ºí·Ïµµ
RPS-7604 ºí·Ïµµ
RPS-7601CT ºí·Ïµµ
°ËÁõ¿ë È®Àå I/O ¸ðµâ
|
Item |
Specification |
|
CON 1X1 |
1 connector for stackable height |
|
CON 2X1 |
2 interconnect for 2 horizontal connector |
|
CON 1X2 |
2 interconnect for 2 vertical connector |
|
PROBE HEADER |
HEADER CONNECTORs for Probing - 1 Connector use - 40 header * 4 |
|
PROBE MICTOR |
MICTOR CONNECTORs for Probing - 1Connector use - MICTOR Connector * 4 |
|
32MB NorFLASH |
32MB Nor Flash - Datawidth : 32bit - 1 connector use |
|
64MB SDRAM |
64MB 32bit Mobile SDR SDRAM Module - Datawidth : 32bit - 1 connector use |
|
128MB DDR SDRAM |
128MB 32bit Mobile DDR SDRAM Module - Datawidth : 32bit - 1 connector use |
|
DDR2 SO-DIMM |
DDR2 SO-DIMM for DDR2 SDRAM - Datawidth : 64bit - 2 connectors use |
|
DDR3 SO-DIMM |
DDR3 SO-DIMM for DDR3 SDRAM - Datawidth : 64bit - 2 connectors use |
|
UART/USB2.0 |
2 UART port, USB High-speed GPIF(CY7C68013A) - 1 connector use |
|
Gigabit Ethernet Phy |
Gigabit Ethernet Phy(M88E111) - 1 connector use |
|
PCI Express Phy |
PCI Express Phy 1Lane(PX1011) - 1 connector use |
l °ËÁõ¿ë È®Àå ¸ðµâÀº ¼±Åà »çÇ×ÀÔ´Ï´Ù.
ARM Core Tile ¹× »ï¼º Core CPU ¸ðµâ ÀÎÅÍÆäÀ̽º
|
Item |
Specification | ||
|
S3C6410 (ARM11) Module |
A. S3C6410 CPU B. 128MB mDDR, 1GB NAND, MicroSD Socket C. USB HOST 1port, OTG 1port UART 2port D. 229 GPIO available (2*120pin connectors) E. Connectors are compatible for MFP Series and RPS Series | ||
|
ARM CT11MPCore |
![]() |
Four ARM11 MPCore CPUs with VFP and 32KB L1 caches 1MB of unified L2 cache 2 external multiplexed AXI interfaces Tile form factor High density stacking connectors | |
|
ARM1176 Core Tile |
![]() |
Single ARM1176JZF-S CPU with VFP and 16KB caches and TCMs 128KB of internal AXI RAM ARM *TrustZone Technology On chip ETM11CS with external MICTOR trace connector External multiplexed 64-bit AXI interface | |
|
ARM1136 Core Tile |
![]() |
ARM1136JS-F processor test chip Tile form factor High density stacking connectors Two PISMO¢â connectors for memory expansion boards | |
|
ARM926 Core Tile |
![]() |
ARM926EJ-S processor test chip Tile form factor High density stacking connectors Two PISMO¢â connectors for memory expansion boards | |
|
ARM7 TDMI |
![]() |
ARM7TDMI processor test chip Tile form factor High density stacking connectors Two PISMO¢â connectors for memory expansion boards | |
|
TI DSP TMS320C6416 Module |
|
TI DSP TMS320C6416 SDRAM included | |
|
Core Tile Adaptor |
|
ARM Core Tile to FPGA Modules | |
























































































































































