- HOME

- Á¦Ç°¼Ò°³

- Á¦Ç°¼Ö·ç¼Ç

- Soc ¼Ö·ç¼Ç
-
-

ARM Core Tile ARM-7TDMI, ARM926EJ-S, ARM1136JF-S
DDR3 SO-DIMM, DDR2 SO-DIMM
32MB NorFLASH, 64MB SDRAM
128MB DDR SDRAM, UART/USB2.0
Gigabit Ethernet Phy, PCI Express Phy
DVI, HDMI, TFT LCD, CMOS Image Sensor
Debugging&Proving
ARM Core or DSP Interface

-
|
Item |
Specification |
|
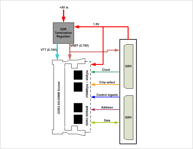
DDR3 SO-DIMM
|
DDR3 SO-DIMM for DDR3 SDRAM - Datawidth : 64bit - Staked on two 120pin connector |
|
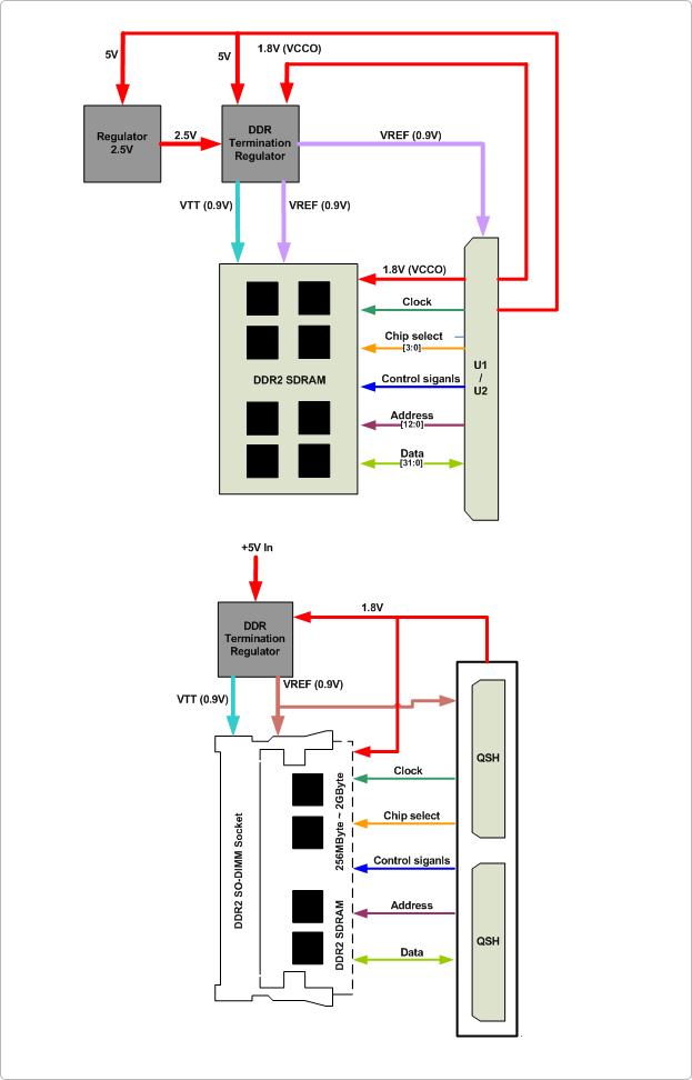
DDR2 SO-DIMM
|
DDR2 SO-DIMM for DDR2 SDRAM - Datawidth : 64bit - Stacked on two 120pin connectors |
|
128MB DDR SDRAM
|
128MB 32bit Mobile DDR SDRAM Module - Datawidth : 32bit - Stacked on one 120pin connector |
|
64MB SDRAM
|
64MB 32bit Mobile SDR SDRAM Module - Datawidth : 32bit - Stacked on one 120pin connector |
|
32MB NorFLASH
|
32MB Nor Flash - Datawidth : 32bit - Stacked on one 120pin connector |
|
UART/USB2.0
|
2 UART port, USB High-speed GPIF(CY7C68013A) - Stacked on one 120pin connector |
|
Gigabit Ethernet Phy
|
Gigabit Ethernet Phy(M88E111) - Staked on two 120pin connector - Form factor : 1x1 (occupies one daughter board connector) |
|
PCI Express Phy
|
PCI Express Phy 1Lane(PX1011) - Stacked on one 120pin connector |
|
DVI |
Rx : SIL-1161 ¤ýsupport high-resolution displays up to UXGA (25-165MHz). ¤ýsupports up to true color panels (24 bits per pixel, 16M colors) with both one and two pixels per clock. Tx : SiL-1160 ¤ýsupport displays up to UXGA resolution. |
|
TFT LCD Module
|
4.3¡± TFT LCD Interface(24-bit Color) 5¡± WVGA (800x480) TFT LCD (24-bit Color) |
|
HDMI |
|
|
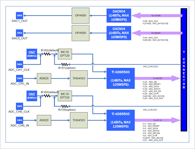
ADC/DAC
|
ADC : 2channel 125Msps ¤ý14bit 125Msps ¤ýHigh SNR : 70.5dBFS at 100MHz fIN ¤ý2.3VPP Differential Input Voltage ¤ýHigh SFDR : 82dBFS at 100MHz fIN ¤ýInternal Voltage Reference ¤ý3.3V Single-Supply Voltage ¤ýAnalog Power Dissipation : 578mW ¤ýTotal Power Dissipation : 780mW DAC : 2channel 165Msps ¤ý14bit 125Msps ¤ýSINGLE + 5V OR +3V OPERATION ¤ýHIGH SFDR : 20MHz Output at 100MSPS : 64dBc ¤ýLOW GLITCH : 3pV-s ¤ýLOW POWER : 170mW at +5V ¤ýINTERNAL REFERENCE : Optional Ext. Reference, Adjustable Full-Scale Range, Multiplying Optionv |
|
PROBE HEADER |
HEADER CONNECTORs for Probing - Stacked on one 120pin connector - 40 header * 4 |
|
PROBE MICTOR
|
MICTOR CONNECTORs for Probing - Stacked on one 120pin connector |
|
Interconnect CON 1X1
|
1 connector for stackable height ¤ýForm factor : 1x1 (occupies one daughter board connector) ¤ýConnects GND in the two connectors ¤ýVCCO (B60) can be disconnected ¤ýThe dedicated clock pin (A60) can be cross connected to A59 ¤ýConnects the remaining 117 signals in the connectors directly ¤ýAvailable in 2 different heights |
|
Interconnect CON 2X1
|
2 interconnect for 2 horizontal connectors ¤ýForm factor : 2x1 (occupies two daughter board connectors) ¤ýConnects 117 signals between two connectors. The signals can be individually disconnected. ¤ýConnects the dedicated clock pins, A60, either straight or crossed to A59 ¤ýConnects GND in the two connectors ¤ýVCCO (B60) in the two connectors can be connected together ¤ý¡°Top side¡± connectors allows other daughter boards to share the bus with the FPGAs |
|
Interconnect CON 1X2
|
2 interconnect for 2 vertical connectors |

B. ColorBar output(Transmitter use only)
i. TX Æ÷Æ®¿¡ µð½ºÇ÷¹À̸¦ ¿¬°áÇÏ¿© ColorBar¸¦ Ãâ·ÂÇÏ¿© DVI RX Test
(1) »ç¾ç

B. ColorBar output(Transmitter use only)
i. TX Æ÷Æ®¿¡ µð½ºÇ÷¹À̸¦ ¿¬°áÇÏ¿© ColorBar¸¦ Ãâ·ÂÇÏ¿© DVI RX Test
A. SiliconFile NOON200PC11 »ç¿ë
B. 2Mega(1/3¡±) CMOS Image Sensor with Image Signal Processor
C. Output Format
- YUV4:2:2, RGB5:6:6, RGB6:6:6, ITU656-like
(2) Á¦°ø¿¹Á¦
A. CIS-to-TFTLCD
i. CIS ¸ðµâ ¼ÒÄÏ¿¡ CIS¸ðµâÀ» ¿¬°áÇÏ¿©, ¿µ»óÀ» TFT-LCD¿¡ Ãâ·Â
3. S3C6410¸ðµâ

1. »ç¾ç
A. S3C6410 CPU
B. 128MB mDDR, 1GB NAND, MicroSD Socket
C. USB HOST 1port, OTG 1port UART 2port,
D. 229GPIO available (2 120pin connectors)
E. MFP Series and RPS Series Connector compatible
1. »ç¾ç
- TI TMS320C6416 DSP/1GHz
- 1MB NOR FLASH / 64MB SDRAM
- EMIFA/B »ç¿ë
2. ¿¹Á¦
A. DPRAM Interface
B. EMIFA¸¦ ÅëÇÑ FPGA DPRAM ¿¬°á ¹× ¸Þ¸ð¸® Å×½ºÆ®
C. FPGA RTL¹× ¸Þ¸ð¸®Å×½ºÆ®S/W
D. DSP°³¹ßȯ°æ : CCS3.1
5. DDR/DDR2/DDR3 ¸Þ¸ð¸® ¸ðµâ
(1) DDR3

(2) DDR2

l PCIe, PCI, ExpressCard, USB3.0, USB2.0, Gigabit Ethernet, 10G Ethernet
7. DISPLAY Interface
l DVI T/R, HDMI T/R, CAM-LINK, TFT-LCD
8. AUDIO Interface
l AC97, I2S, SPDIF

9. Signal Procesing
l High-Speed ADC/DAC































































































































































